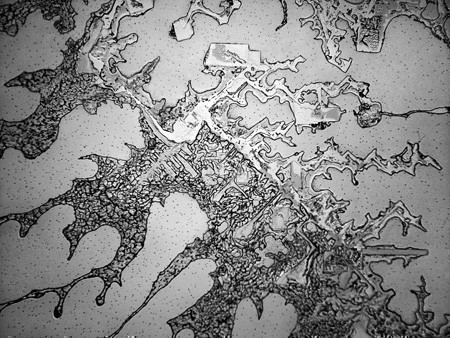
某日,萝丝琳费雪(Rose-Lynn Fisher)好奇她自身悲伤的眼泪是否会跟欢愉的眼泪看起来有所不同,所以她开始使用显微镜观察眼泪来探索这个问题的答案。
她观察研究了100滴不同的眼泪发现基础泪液(人体每天都会有基础的泪液分泌使眼睛保持湿润)和当我们切洋葱时产生的泪水截然不同,而大笑时产生的热泪甚至与悲伤时的泪水有着天壤之别,如同一滴海水一般,每一滴眼泪都携带着人类经验的缩影。她的专案计划叫”眼泪的地形学”(The Topography of Tears.)
笑到哭的眼泪
改变的眼泪
希望与可能的眼泪
悲伤的眼泪
洋葱的眼泪
美国史密森艺术科学学院(The Smithsonian’s Collage of Arts and Sciences)的约瑟夫·斯特龙伯格(Joseph Stromber)解释人体的眼泪有三种形式:基础的、反射的及精神的(情感导致)眼泪,所有眼泪都包含了油、抗体和酵素等有机物质并且皆悬浮于盐水之上,不同形式的眼泪有着明显不同的分子,情感导致的眼泪有蛋白质为基底的贺尔蒙包括神经传输素-亮氨酸脑啡肽(leucine encephalin),它是一种会在人感受到压力的时候释放的天然止痛剂。另外,透过显微镜观察所看到的眼泪是各种不同形状、不同形式的结晶盐,所以即使相同化学成分的情感性眼泪也可能看起来相当不同,萝丝琳费雪说:“这其中有太多的变数了,有化学、黏性、环境背景、蒸发速率及显微镜的设定。”
基础的眼泪
永恒重逢的眼泪
结束与开始的眼泪
释放的眼泪
兴高采烈在阈限时刻的眼泪
回忆的眼泪
照片: Rose-Lynn Fisher
就像雪花与指纹一样没有一滴眼泪是相同的。

!评论内容需包含中文